弱电设计—弱电工程机房设计设计步骤
本设计方案提供了一个全面、最完整的机房建设方案,包括机房设计、设备选型、环境控制、安全管理、维护保养以及未来发展等方面的内容。该方案旨在为企业打造一个高效、安全、稳定的机房环境,保障企业信息系统的正常运行和长远发展。
机房建设就是随着信息化系统对环境的要求越来越高而出现的新兴行业, 涉及到电子工艺、建筑结构、空气调节、给水排水、电器技术和消防安全等多种专业,它是为解决诸如温湿度、洁净度、电磁场强度、防静电、供配电、接地与防雷、消防安全等综合技术问题,为电子计算机系统稳定可靠运行和工作人员提供良好的工作环境。

在进行网络中心机房设计前,先要确定所需要的机房面积。哪怎样计算所需要的机房面积呢?
如果用户没有确定的机房场地及面积可以参考《机房建设标准》来计算
1、网络中心机房组成应按计算机运行特点及设备具体要求确定,一般宜由主机房、基本工作间、第一类辅助房间、第二类辅助房间、第三类辅助房间等组成。
2、网络中心机房的使用面积应根据计算机设备的外形尺寸布置确定。在计算机设备外形尺寸不完全掌握的情况下,电子计算机机房的使用面积应符合下列规定:
一、主机房面积可按下列方法确定:

在确定设计网络中心机房面积及位置后,就要确定机房布局:即根据机房平面及用户需求,遵循机房建设规范及相关标准,划分合理的布局。
机房布局,需要考虑以下几点:
1、不仅要考虑到增加主机房有效面积的利用率,便于机房设备、服务器机柜的合理摆放;又要兼顾人员和设备的进出通道,避免人员频繁穿越机房区域;还要体现出企业机房的美观、科技形象。
2、机房平面和空间布局应具有适当的灵活性,以便设备增容或扩建。
3、尽可能合并和减少辅助机房区房间,提高主机房和一类辅助间的利用面积。
4、便于设备摆放和人员操作,同时满足空调制冷、电源配电的需要。
5、进出通道合理布局,便于机房管理人员、维护、参观访问人员合理分流。
6、在做机房布局设计时需要与用户多沟通,深入了解用户对布局及功能区的需求,最终确定布局后才能进行下一步的工作。
机房的功能布局一般分为:
主机房:用于安置小型机/服务器等主机、通讯网络区域(内外网络)、存储区域、介质库区域。
监控室:网络管理人员上班、值班场所,监控室和主机房相通,主要对主机房进行监控和管理,减少人员频繁进入主机房。
资料室:存放资料的房间。
配电室:负责整个主机房关键设备的配电,放置UPS及电池系统。
钢瓶间:放置气体消防的钢瓶间,要求开门方向正对消防通道,保证危急时刻的快速处理。如小机房采用无管网则不需要设置。
辅助功能区
会议接待室:为机房的参观人员及内部的机房管理人员准备的临时接待场所。
硬件维修和软件开发室:设备的维修和软件的开发测试,不能在主机房内进行。
休息室:提供给机房管理人员值班休息的场所。
值班及更衣室:值班和更衣室设置在机房的入口,便于管理和人员进出的需求。
洗漱间和卫生间:洗漱间和卫生间设置靠近管理人员主要工作的区域。
功能区布局基本原则:
机房系统是一个封闭区域,走廊两端进出设门禁、防火门;
主机房周围(介质库、监控室)是和机房同等保护区域,应在机房内设立;
配电室、钢瓶室输出管线距离主机房尽可能近一点,管线简洁节省投资;
监控室与主机房一般是在主机房的隔壁,监控室主要是主机运行监控管理、环境物理参数监控,摄像监控系统等;
消防、门禁安保监控另设值班室24小时适时监控。

在完成机房布局设计后,就可以按照机房各个系统进行详细的设计了。
机房装饰装修
在以前的机房建设设计方案中,较多地强调了计算机设备的技术要求,而忽略了掌握这些重要设备的人的需要,大多数的机房环境都会给人以沉闷、单调、烦燥的感觉。现在的机房装饰设计方案,需要考虑的是:以人为本,充分考虑人与环境、人与机、机与环境的亲和性、协调性。
在机房装饰设计中,遵循简洁、明快、大方的宗旨,强调规范性、标准性、实用性。
机房装饰用材选用气密性好、不起尘、易清洁、变形小,具有防火、防潮性能;宜选用亚光材料,避免在机房内产生各种干扰光线(反射光、折射光、弦光等)。
机房装修工程直接决定了整个数据机房的外观形象,可采取明快、现代的设计风格。另外,由于数据机房在功能方面的特殊性,使得数据机房的装修设计除了必须遵循美观、实用等一般性原则外,还必须满足数据机房对环境(包括温湿度、照度、洁净度、电磁屏蔽等)的特殊要求。

机房供配电子系统
机房的供配电系统是机房工程中的关键项目,是一个综合性供配电系统,在这个系统中不仅要解决计算机设备的用电问题,还要解决保障计算机设备正常运行的其它附属设备的供配电问题,如计算机机房专用恒温恒湿器(空调器),机房照明系统用电,安全消防系统用电等。下表为机房供配电的指标,分为三级。

设计一个符合计算机运行要求的供配电系统,首先应确定供电等级。计算机机房的供电等级是根据计算机的工作性质及其重要性来划分,分为三级。
一级负荷计算机房。此类机房是指如国防建设、生产、交通运输、金融财政、航空管理等部门的机房。这些部门的机房如遇突然断电使计算机中断工作的话,将导致严重的人身伤亡等恶性事故,造成无法弥补的重大损失。所以这类机房应采用一类供电——不间断供电系统。
二级负荷计算机房。此类机房是指如科研单位和一些应用计算机控制系统的生产单位的机房,这些单位的机房一旦突然中断供电将使生产、运输、通信等受到一定程度的影响,给国民经济造成一定的损失。这类机房一般采用二类供电——需建立带备用的供电系统。
三级负荷计算机房。此类计算机房是指应用计算机做些一般的统计、查询、情报检索工作单位的机房。这些机方如突然中断供电虽会使工作受一定影响,但一般不会引起太大的损失。这类机房一般采用三类供电——按一般用户供电。
确定供电等级后,需选择一个切合实际的供电方式。对供电方式的选择应在了解各种供电方式的特点基础上,根据设备、场合、环境和供电条件等实际情况进行设计与施工。

机房综合布线系统
机房综合布线系统为机房内部提供网络通信基础链路,在每个机架上提供结构化布线槽,为每个机架提供局域接入服务。
综合布线系统可以采用下走线方式布线或者上走线方式布线。
一般采用光纤和六类布线,把服务器机柜、小型机、存储服务器汇聚到网络机柜,提供高速(1000M以上)输出网络。
设计范围包括机房内的数据信息点布线、语音点布线、服务器机柜及小型机与网络机柜之间的光纤布线 。每台服务器机柜要求布放1个6芯以上光缆及和6根以上六类网线;小型机、存储服务器要求每台布放1个6芯光缆及和2根六类网线。采用星型结构汇聚到网络机柜。光缆在两头分别熔接尾纤,上架管理,网络在两头分别端接到六类配线架进行模块化管理。下面为案例结构图:
机房精密空调
中心机房内都安装有重要的计算机设备如小型机、存储服务器服务器及网络设备,而使用精密空调才能确保机房内各种网络等重要服务器能可靠稳定、并在最佳状态下运行的基础。
以下表1和表2分别为机房在开机时和停机时的温湿度要求。

机房防雷接地系统
南方是雷电多发的区域,为了防止遭受雷害,确保机房内设备的安全和正常工作,
提高网络运行的安全系数,实施机房的整体防雷与接地工作是十分重要的。首先良好的接地线,可以把计算机信号的干扰滤掉。此外,当遇到雷电、机柜附近的强功率源或电弧干扰时,良好的机房防雷接地系统也能对计算机设备起到一定的保护作用。
机房电源防雷:一般采用三级防雷,分别在大楼配电室安装第一级防雷器,在楼层配电室安装第二级防雷器,在机房进线端安装第三级防雷器,如有特别敏感的设备需要特别保护,则还需要配置防雷电源插座。所有的防雷器必须使用相应线径的铜芯电缆连接到最近的等电位网,通过等电位网接入地网中。
连接铜芯电缆的线径要求:
第一级:要求线径达到50平方以上
第二级:要求线径达到30平方以上
第三级:要求线径达到16平方以上
机房信号防雷:与电源防雷一样,通讯网络的防雷主要采用通讯避雷器防雷。目前,计算机远程联网常采用的方式有电话线、专线、X.25、DDN和帧中继等,通讯网络设备主要为MODEM、DTU、路由器和远程中断控制器等。通常根据通讯线路的类型、通讯频带、线路电平等选择通讯避雷器,将通讯避雷器串联在通讯线路上。并要有良好的接地线。
防雷系统需要具备防雷资质的专业公司才能设计施工,所以本系统一般采用合作方式进行,由专业公司提供技术支持。
目前比较常用的防雷设备厂家有地凯、盾牌、OBO、TOP等。
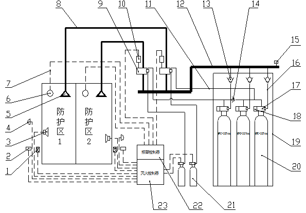
气体消防系统
与防雷系统一样,都是需要具备消防资质的专业公司才能进行设计及施工,所以本系统一般采用合作方式进行,由专业公司提供技术支持。
由于气体灭火属于全淹没的灭火系统,对人体会造成毁灭性伤害,所以建议只在设备较多且无人值班的功能区采用气体消防,在需要人员值班的功能区还是采用普通喷淋消防系统比较保险。
一般采用七氟丙烷自动灭火系统 ,根据机房面积确定使用管网或者无管网灭火方式,一般面积较小的机房(小于50平米),采用无管网方式,面积较大的机房需要采用管网方式。
消防系统还要具备火灾报警功能,灭火装置具有自动、手动及机械应急操作三种方式 。

KVM及机房设备远程监控系统
网络中心机房,机房内将放置有各种品牌的服务器及网络设备,由于各种因素,机房在一般情况下不允许人员进入,所以需要一套可以通过机房本地或远程终端对机房内的服务器、网络设备等进行统一管理的解决方案,以便使有关操作人员不必到机房内也能操控服务器及网络设备,且当系统规模扩张时仍能保持整个系统的完整性而达到管理上的简单有效。
KVM及机房设备远程监控系统就是实现以上功能的解决方案,通过IP网络,可以实现对机房的所有设备以及电源进行远程控制和管理,可以避免人员进入设备机房。
由于KVM系统不同厂家产品配置也不一样,所以需要厂家进行方案配置。
机房环境监控系统
网络中心机房的环境设备或子系统(如UPS、精密空调、消防等)为服务器、网络设备等硬件系统提供正常的运行环境。一旦机房环境设备出现故障,就会影响到硬件系统的运行,对数据传输、存储以及整个系统运行的可靠性构成威胁,若事故严重又没有得到及时的处理,就可能损坏硬件设备,造成严重后果。
因此,为了保证机房运行的安全性和稳定性,需要对机房场地设备及环境进行集中监控和管理,包括:UPS、精密空调、温度、湿度、漏水、消防等系统监控。

由于中心机房对设备环境及机柜要求很高,所以需要配置专业的服务器机柜和网络机柜,要求按照设备数量配置相应数量的机柜,预留30%以上的空间。
机柜配电,由于设备对电力要求也很高,所以机柜必须配备专业的电源插座(PDU)。
服务器机柜要求前、后门采用“超级网孔”设计,通风率达55%以上 。静态承重为600KG 以上,移动承重为300KG 以上。
在机房维护保养方面,要建立完善的维护保养制度,定期对机房环境、设备、安全等方面进行检查、保养和维修。同时,要加强对维护保养人员的培训和管理,提高维护保养水平。此外,要建立应急预案,及时处理突发事件和故障,确保机房设备的正常运行。